变频恒压供水系统实训装置特点:
(1)楼宇智能化恒压供水的基本原理及应用领域
智能化变频恒压供水的基本思路是采用变频调速技术,变频恒压供水系统实训装置通过压力传感器和压力控制系统,把管网的实际压力的变化情况转换成标准的电信号,再把这个电信号输入到智能仪表,与智能仪表的设定值进行PID计算后,输出标准的电信号作为变频器的调节信号。也可以把压力传感器输出的电信号作为PLC的模拟量输入信号,进入PLC后进行与设定值进行一定的运算后,输出开关量模拟量信号,用于控制变频器的输出频率,进行变频调速和对泵进行切换,达到恒压供水的目的。由于电压或电流与频率成线性关系,即f=KU或f=KI,通过智能仪表PLC的输出信号的变化来改变变频器的频率终使压力达到恒定。
随着变频技术的发展和人们对生活饮用水品质要求的不断提高,智能化变频恒压供水系统已经逐步取代传统的水塔供水系统,广泛应用于多层生活小区的生活和消防用水,是楼宇自动化中重要的一个方面,它应用在以下场合:
*高层建筑、生活小区、宾馆及大型公共建筑的生活供水、消防用水以及喷淋系统等;
*各种企业的生产、生活用水;
*农村的喷灌系统;
*园林喷洒系统,喷泉系统;
*自来水厂各级加压系统;
*排污系统和排污站的改造等。
随着智能变频恒压供水技术的推广和各个场合的具体应用不尽相同,要求技术人员能灵活的运用。较复杂的场合有综合性的应用,如加入人机界面、组态监控、远程通讯等技术。根据这一现实要求,我公司开发了一系列的恒压供水实验装置,用于大中专院校的教学需要。
(2)楼宇智能化恒压供水实验装置设计要求与可实现的目标
智能化恒压供水系统实验装置是我公司根据教育部开设的“楼宇自动化控制”课程的要求,并结合劳动部、劳动厅及省职业技能培训考核大纲内容,研制开发的一套综合性的具有开放式的恒压供水系统实验培训考核装置,该套装置符合“应用型职业技能”大专人才培训目标,包含微机控制技术、智能化仪表应用技术、自动控制理论、传感器技术(控制的变量有压力、液位等)、变频技术应用、PLC控制应用技术、PID调节技术、模拟量处理技术、液体机械技术、流体力学、工业远程控制与通信技术等实验考核项目,可做多门课程的相关实验,适应开放性实验室的要求。并且在设备上面设置有故障点、故障开关,可用于进行智能考核。主要适用于大学、高职高专、职业技术学院、技师学院和高级技校的工业电气自动化、自动控制、工业企业自动化等专业的实验室教学。特别适合工科本科或者研究生的教学需要,可以作为学期末的课程设计、也可以作为毕业前的毕业设计。显著特点如下:
*开放式结构:学生可以灵活的编制PLC控制程序和进行组态控制,可以进行控制回路的电路连接。
*多种控制方式:具有手动、自动、远程控制、智能仪表控制、报警等功能。
*分时工作:工频/变频切换功能、主泵和备用泵轮换工作功能。
*保护功能:过载保护、欠压保护、过压过流保护、相序不平衡保护、缺相保护、连锁等。
*计算机实时监控:组态软件制作人机界面,监控画面清晰、形象。可以实时监控出压力等参数的变化状况,系统的工作状态、控制方式和工作界面通过计算机“力控组态软件”显示和监控,管网水流变化和显示界面清晰、形象与实际相似。
*超强扩展性能:系统可灵活的组成网络系统进行远程控制和智能化控制,多台联机组成局域网、工控网等。
(3)楼宇智能化恒压供水实验装置系统结构组成
恒压供水系统实训系统,能真实的模拟楼宇智能供水的工作原理和流程,使学员能掌握管路结构、控制方式、编程实训、传感器应用、PLC应用、变频器应用、触摸屏应用、组态软件应用等,并可以进行二次开发。需要有必要的外部管路连接,连线灵活方便。在停机时能维持管网压力恒定一定的时间。要求能实现两种PID调节方式来控制。易于实现远程监控。
恒压供水实验系统,采用实验对象、控制仪表、控制台、PLC实验模块、计算机分离的方式。对象采用上、下水箱双回路方式,压力传感器、液位传感器、双水箱系统、各种调节阀、手动切换阀、立式多级离心泵、气压罐、系统支架、不锈钢管路、压力表等。可单独通过PLC、组态软件、变频恒压控制,也可采用传统的继电器控制。控制实验台部分主要包括:实验台、实验桌、仪表、变频器、交流电源输出、直流电源输出、RS232-485通讯接口、组态软件、实验导线、PLC模块等。设备描述:采用实验对象、控制仪表、控制台、PLC实验模块、计算机分离的方式,对象采用下水箱双回路方式,系统对控制信号的控制准确、灵敏、可靠性高,坚固耐用。该装置具有压力、液位传感等参数的显示。检测与控制,可单独通过PLC、变频恒压控制;组态软件恒压控制,通过软件与仪表进行单独控制。
(4)楼宇智能化恒压供水实验装置的系统工作流程
*预先关闭蓄水箱和出水箱之间的闸阀,用软管把水引入蓄水箱中,液面高度到达溢流口处为止。
*确认工作方式开关处于“手动”状态,开启总电源开关,通过电位器设定管网中希望的压力(Mpa),本系统按照大值0.3Mpa设计。
*完全打开出水管上用来模拟用水量的控制闸阀。保证3台水泵进水出水管道上的闸阀处于完全打开状态。
*把工作方式转到“自动”状态下,PLC主机进入运行状态,开始采样:设定的预期压力(实际上是一个0-10V的电压信号)经过A/D模块的一个通道CH1进入PLC,进行A/D转换后,把相应的数字量存储在PLC的数据寄存器中。同时实际压力值信号也被PLC(从通道CH2进入PLC)采样存储。CH1和CH2的数据进行运算比较后,输出一个模拟量(从A/D模块的CH3输出),此模拟量信号进入变频器的控制端子,用于频率调节。
*PLC进行快速的判断后,开启副泵(功率0.37KW)进入变频运行状态,副泵从0HZ开始软启动,逐渐补充管网的压力,当副泵提供的压力不能满足实际需要(即未到达设定的压力),频率逐渐靠近工频(50HZ),直到PLC自动切换副泵运行在工作模式。
*副泵运行在工频状态,仍不能满足压力要求,PLC自动切断副泵工作电源,系统启动1号主泵变运行,直到压力达到要求;若直到工频仍不能达到要求,PLC切换1号主泵运行在工频状态,启动2号水泵运行在变频状态,直到管网压力达到设定要求。
*当用水量逐渐减少时,顺序停止1号主泵和2号主泵。
以上为变频恒压供水的基本过程,智能化恒压供水实验装置加入了出水箱液位控制,液位传感器输出一个模拟量信号(0-10V),次信号进入PID智能仪表,智能仪表设定液位的上限和下限,再输出报警信号送入PLC,PLC执行程序后决定是否停机。

SHYL-GS03型 变频恒压供水系统实训装置

(一)标准配置
品目 | 序号 | 分项名称 | 分项说明 | 数量 |
1 | 水 机 械 部 分 | 水泵(主泵) | Q=4M3/h,H=20m,P=0.55KW | 2台 |
水泵(副泵) | Q=2.4M3/h,H=20m,P=0.37KW | 1台 | ||
钢丝口闸阀 | 上海 | 7只 | ||
止回阀 | 上海 | 3只 | ||
普通压力表 | 上海 | 3只 | ||
远传压力表 | 上海 | 1只 | ||
球阀软接头 | 上海 | 3只 | ||
不锈钢水箱 | 上海 | 2只 | ||
压力罐 | 国标 | 1个 | ||
引水软管 | 上海 | 1根 | ||
铁制底架 | 上海 | 1套 | ||
管网 | 上海 | 1套 | ||
浮球开关 | 上海 | 1只 | ||
2 | 控 制 部 分 | 组态软件 | 力控(开发版) | 1套 |
空气开关 | 正泰 | 1只 | ||
断路器 | 正泰 | 3只 | ||
热继电器 | 正泰 | 3只 | ||
交流接触器 | 正泰 | 6只 | ||
稳压电源(DC24V) | 上海 | 2路 | ||
稳压电源(DC5V) | 上海 | 2路 | ||
可调直流电源(0-5V) | 上海 | 2路 | ||
按钮 | 正泰 | 6只 | ||
PLC模块 | 西门子PLC | 1套 | ||
模拟量模块 | 西门子模块 | 1只 | ||
液位变送器 | JYB-KO-Y1VG,输出信号1-5V,量程0-1m | 1只 | ||
变频器模块 | MM420 | 1台 | ||
实验台 | 1套 | |||
实验桌、学生凳 | 钢制结构,底部安装有万向轮 | 1套 | ||
PLC编程电缆 | 1条 | |||
安全实验导线 | 1套 | |||
仪表显示模块 | 1套 | |||
1台 | ||||
3 | 其他 | 触摸屏模块 | 256色 | 1套 |
(三)、主要技术参数及指标
(1)系统工作电源:AC380V±5%,50HZ。
(2)外型尺寸:水机械部分约2600×1400×1600mm(长×宽×高);实验台及控制部分1800×800×1600mm(长×宽×高),重量:约400Kg。
(3)主要控制器品牌:PLC(西门子200系列)、模拟量模块(4通道模拟量输入,1通道模拟量输出)、变频器(西门子)、压力传感器(北京昆仑)、液位传感器(北京昆仑,检测量程0-1.0m)、组态软件(力控128点开发版)。

液位传感器:YLB-KO-Y1VG远传压力表
(4)主泵:流量Q=4M3/h,扬程H=20m,额定功率P=0.55KW。如下图所示,主泵采用立式多级离心不锈钢泵。副泵:流量Q=2.4M3/h,扬程H=20m,额定功率P=0.37KW。

(5)除以上主要器件外,还有压力罐(容积35L)、管网(主管路采用Φ50mmg国标304不锈钢管,支管采用Φ30mm国标304不锈钢管)、普通压力表、止回阀、软管、钢丝球闸阀、不锈钢水箱(容积1立方米)、底架(采用槽钢制作,底部安装有万向轮)等,构成密闭的水循环回路。


不锈钢管不锈钢管件


止回阀铜质闸阀
(6)实验装置采用变频器与PLC相结合的控制方式。标准配置提供了变频器模块、PLC模块、仪表模块、继电器控制部分、电源输出部分,各个部分相互独立。实验过程中,采用接插式实验导线进行实验。
※PLC模块
采用西门子PLC。
※变频器模块
采用西门子MM420。注意:变频器的硬件结构、操作内容、参数含义等详细内容,请参考变频器操作手册。
※仪表模块
设计了“反馈压力”、“设定压力”、“反馈液位”、“设定液位”四个数字表,可以直接显示压力和液位,其中压力表的单位是Mpa,液位表的单位是m。
※触摸屏模块
安装有西门子触摸屏。


※控制主机部分
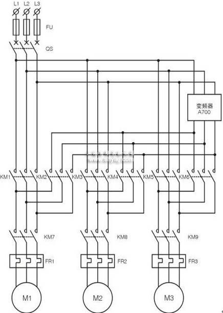
控制主机部分包括交流电源输出、直流电源输出、可调直电源输出、主回路线路等。回路的设计参考下图。

主回路总图
图中各部分的意义如下:
L1-L2-L3:三相交流电源FU(FU1-FU2-FU3):熔断器
KM1:控制1#泵(BUMP1)工频运行KM2:控制1#泵(BUMP1)变频运行
KM3:控制2#泵(BUMP2)工频运行KM4:控制2#泵(BUMP2)变频运行
KM5:控制3#泵(BUMP3)工频运行KM6:控制3#泵(BUMP3)变频运行
A700:变频调速器FR1、FR2、FR3:热继电器
KM7-KM8-KM9:1#2#3#水泵手动切除控制M1-M2-M3:1#泵-2#泵-3#泵的驱动电机
控制回路是变频恒压供水实验系统学习的重点,如下图所示,图中的接触器线圈和辅助触头、指示灯端子、PLC的I\O端子、变频器的控制端子、传感器的控制端子等都已经连接至实验台的面板上,学生利用实验导线连接控制回路。
(四)、软件组成
与本实验系统配套的软件有:1)组态软件:力控;2)PLC编程软件;3)三菱变频器操作软件。
(五)、配备的技术资料
1)西门子PLC编程手册;2)变频器操作手册;3)各种传感器操作说明;4)系统实验指导书(含实验项目,接线图,梯形图等);5)组态软件操作手册。
(六)、安全保护体系
1)电路具有短路保护、过电压保护、同时具有电压、电流型漏电保护装置接地可靠。2)实验连接线采用超软、防硬化、全封闭、高可靠弹性结构。3)实验连接线柱强、弱电已严格分开,提高设备的可靠性。4)带电部分牢固、无松动、不易人体触电。
(七)、完成实验内容:
1)实验装置的基本操作与仪表调试(包括水泵的变频运行,工频运行等);
2)恒压供水的变频原理;
3)PLC实训与操作、编程;
4)传感器应用实验;
5)微机RS-485/232串口通讯实验;
6)水箱液位、压力的PID控制实验;
7)PLC液位控制实验;
8)组态软件的操作与使用;
友情提示:
一、⑴确认 变频恒压供水系统实训装置,变频恒压供水实验设备 的型号;⑵变频恒压供水系统实训装置,变频恒压供水实验设备的规格;⑶变频恒压供水系统实训装置,变频恒压供水实验设备的参数配置。
二、如已选定上海育联实验设备制造有限公司的变频恒压供水系统实训装置,变频恒压供水实验设备的型号,请按型号直接向我司销售部订购。
三、如需了解更多信息,请致电:021-62987919 ,我们将由专业技术人员为您提供有关的技术问题。
四、感谢您访问我们的网站【/】,我们一定会全力为您提供优质和详尽的服务。
电话:021-6298-7919
传 真:021-6298-2737
手 机:189-3053-7827
地 址:上海市中辰路